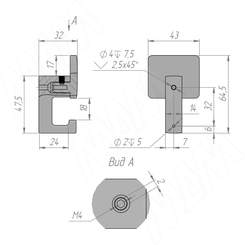
Крючок двухрожковый графит

В наличии
756 руб.
Поделиться
Артикул HK.14.GF
  • Характеристики
  • Подарки

Единица измерения шт